Danh mục sản phẩm
Thiết bị chống sét
THIẾT BỊ CHỐNG SÉT MERSEN CHO MẠNG STS-NET-CAT6-POE-3K
Chống sét Mersen STLT23-10K320V-C4-WD
Chống sét Mersen SP275E
Chống sét Mersen STPT2-40K275V-2PG
Chống sét Mersen STPT23-20K275V-2PG-LF
Chống sét Mersen STZ-R–450kA-HMI
Chống sét Mersen ST240SPG
Chống sét Mersen STMT23-20K275V-SP-SM
Chống sét Mersen STPT2-40K440V-3P
Chống sét Mersen STPT2-40K-275V-3PM
Chống sét Mersen STPT2-40K275V-2PM
Chống sét Mersen STPT2-40K440V-4P
THIẾT BỊ CHỐNG SÉT MERSEN STPT2-40K275V-2PGM
Chống sét lan truyền 3 pha 4P cấp 1+2, 275V (230/400) có cách ly sau sét
Chống sét lan truyền 3 pha 4P cấp 1+2, 275V (230/400)
CHỐNG SÉT CHO ĐÈN ĐƯỜNG (ĐÈN LED) STLT23-10K320V-C4-WD
STPT23-20K320V-2PG Thiết bị cắt sét 1 pha 20kA 320 VAC
Thiết bị chống sét dòng 600V DC STPT2-40K600V-YPV
STPT2-40K320V-4PGM Thiết bị cắt sét 3 pha 4 dây 40kA 220/400 VAC
STPT2-40K320V-4PG Thiết bị cắt sét 3 pha 4 dây 40kA 220/400 VAC
Chống sét Mersen STPT12-12K275V-4PGM
STPT2-40K275V-4PG Thiết bị cắt sét 3 pha 4 dây 40kA 220/400 VAC
Thiết bị chống sét solar 500VDC Mersen 40kA STPT2-40K600V-YPV
Hổ trợ trực tuyến
Sale 1 - 0916.05.99.77 - Mr Chinh
Sale 2 - 0918.35.00.22 | Ms Ngọc Á
Sale 3 - 0917906719
Sale - 0941 35 00 22 Mr Tâm
Phòng Kỹ Thuật - 0915.302.266 Mr.Lực
Email đặt hàng - info@cvcvina.com
Nhận Catalog - ledaihungluc@gmail.com
Fanpage Facebook
Liên kết website
Thống kê
- Đang online 0
- Hôm nay 0
- Hôm qua 0
- Trong tuần 0
- Trong tháng 0
- Tổng cộng 0
Cầu chì Bussmann FWP-700A
FWP-700A
Eaton Bussmann/Mexico
12 tháng
Zalo 0886.339.839
Mã sản phẩm: Bussmann FWP-700A
Part number: FWP-700A
Điệp áp : 700V AC/DC
Dòng điện : 700 A
Dòng cắt : 200kA
Đặc tính : Loại cắt nhanh
Ứng Dụng : Bảo vệ thiết bị bán dẫn, …..

Hình ảnh Cầu chì Bussmann FWP-700A
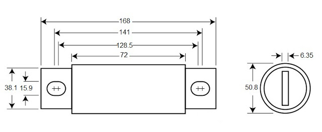
Kích thước (đơn vị mm):

» Sản phẩm cùng Series:
|
Mã cầu chì
|
Dòng điện (A)
|
Điện Áp (V)
|
|
Cầu chì Bussmann FWP-5B
|
5 A
|
700 VAC
|
|
Cầu chì Bussmann FWP-10B
|
10 A
|
|
|
Cầu chì Bussmann FWP-15B
|
15 A
|
|
|
Cầu chì Bussmann FWP-20B
|
20 A
|
|
|
Cầu chì Bussmann FWP-25B
|
25 A
|
|
|
Cầu chì Bussmann FWP-30B
|
30 A
|
|
|
Cầu chì Bussmann FWP-35B
|
35 A
|
|
|
Cầu chì Bussmann FWP-40B
|
40 A
|
|
|
Cầu chì Bussmann FWP-45B
|
45 A
|
|
|
Cầu chì Bussmann FWP-50B
|
50 A
|
|
|
Cầu chì Bussmann FWP-60B
|
60 A
|
|
|
Cầu chì Bussmann FWP-70B
|
70 A
|
|
|
Cầu chì Bussmann FWP-80B
|
80 A
|
|
|
Cầu chì Bussmann FWP-90B
|
90 A
|
|
|
Cầu chì Bussmann FWP-100B
|
100 A
|
|
|
Cầu chì Bussmann FWP-125A
|
125 A
|
|
|
Cầu chì Bussmann FWP-150A
|
150 A
|
|
|
Cầu chì Bussmann FWP-175A
|
175 A
|
|
|
Cầu chì Bussmann FWP-200A
|
200 A
|
|
|
Cầu chì Bussmann FWP-225A
|
225 A
|
|
|
Cầu chì Bussmann FWP-250A
|
250 A
|
|
|
Cầu chì Bussmann FWP-275A
|
275 A
|
|
|
Cầu chì Bussmann FWP-300A
|
200 A
|
|
|
Cầu chì Bussmann FWP-325A
|
325 A
|
|
|
Cầu chì Bussmann FWP-350A
|
350 A
|
|
|
Cầu chì Bussmann FWP-400A
|
400 A
|
|
|
Cầu chì Bussmann FWP-450A
|
450 A
|
|
|
Cầu chì Bussmann FWP-500A
|
500 A
|
|
|
Cầu chì Bussmann FWP-600A
|
600 A
|
|
|
Cầu chì Bussmann FWP-700A
|
700 A
|
|
|
Cầu chì Bussmann FWP-800A
|
800 A
|
|
|
Cầu chì Bussmann FWP-1000A
|
1000 A
|
|
|
Cầu chì Bussmann FWP-1200A
|
1200 A
|
Bình luận
Sản phẩm cùng loại

















































