Danh mục sản phẩm
Thiết bị chống sét
THIẾT BỊ CHỐNG SÉT MERSEN CHO MẠNG STS-NET-CAT6-POE-3K
Chống sét Mersen STLT23-10K320V-C4-WD
Chống sét Mersen SP275E
Chống sét Mersen STPT2-40K275V-2PG
Chống sét Mersen STPT23-20K275V-2PG-LF
Chống sét Mersen STZ-R–450kA-HMI
Chống sét Mersen ST240SPG
Chống sét Mersen STMT23-20K275V-SP-SM
Chống sét Mersen STPT2-40K440V-3P
Chống sét Mersen STPT2-40K-275V-3PM
Chống sét Mersen STPT2-40K275V-2PM
Chống sét Mersen STPT2-40K440V-4P
THIẾT BỊ CHỐNG SÉT MERSEN STPT2-40K275V-2PGM
Chống sét lan truyền 3 pha 4P cấp 1+2, 275V (230/400) có cách ly sau sét
Chống sét lan truyền 3 pha 4P cấp 1+2, 275V (230/400)
CHỐNG SÉT CHO ĐÈN ĐƯỜNG (ĐÈN LED) STLT23-10K320V-C4-WD
STPT23-20K320V-2PG Thiết bị cắt sét 1 pha 20kA 320 VAC
Thiết bị chống sét dòng 600V DC STPT2-40K600V-YPV
STPT2-40K320V-4PGM Thiết bị cắt sét 3 pha 4 dây 40kA 220/400 VAC
STPT2-40K320V-4PG Thiết bị cắt sét 3 pha 4 dây 40kA 220/400 VAC
Chống sét Mersen STPT12-12K275V-4PGM
STPT2-40K275V-4PG Thiết bị cắt sét 3 pha 4 dây 40kA 220/400 VAC
Thiết bị chống sét solar 500VDC Mersen 40kA STPT2-40K600V-YPV
Hổ trợ trực tuyến
Sale 1 - 0916.05.99.77 - Mr Chinh
Sale 2 - 0918.35.00.22 | Ms Ngọc Á
Sale 3 - 0917906719
Sale - 0941 35 00 22 Mr Tâm
Phòng Kỹ Thuật - 0915.302.266 Mr.Lực
Email đặt hàng - info@cvcvina.com
Nhận Catalog - ledaihungluc@gmail.com
Fanpage Facebook
Liên kết website
Thống kê
- Đang online 0
- Hôm nay 0
- Hôm qua 0
- Trong tuần 0
- Trong tháng 0
- Tổng cộng 0
Cầu chì Bussmann 170M5242
170M5242
Eaton Bussmann/China
12 tháng
Zalo 0886.339.839
Mã sản phẩm: Bussmann 170M5242
Part number: 170M5242
Điệp áp : 690Vac
Dòng điện : 400 A
Dòng cắt : 200 kA
Đặc tính : Loại cắt nhanh aR
Kiều lắp : Bắt ốc
Ứng Dụng : Bảo vệ biến tần, UPS, thiết bị bán dẫn...

Hình ảnh Cầu chì Bussmann 170M5242
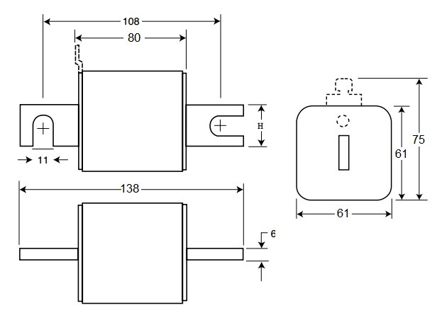
Kích thước (đơn vị mm):

» Sản phẩm cùng Series:
|
Mã cầu chì
|
Dòng điện (A)
|
Điện Áp (V)
|
|
Cầu chì Bussmann 170M5238
|
250A
|
690Vac
|
|
Cầu chì Bussmann 170M5239
|
280A
|
|
|
Cầu chì Bussmann 170M5240
|
315A
|
|
|
Cầu chì Bussmann 170M5241
|
350A
|
|
|
Cầu chì Bussmann 170M5242
|
400A
|
|
|
Cầu chì Bussmann 170M5243
|
450A
|
|
|
Cầu chì Bussmann 170M5244
|
500A
|
|
|
Cầu chì Bussmann 170M5245
|
550A
|
|
|
Cầu chì Bussmann 170M5246
|
630A
|
|
|
Cầu chì Bussmann 170M5247
|
700A
|
|
|
Cầu chì Bussmann 170M5248
|
800A
|
|
|
Cầu chì Bussmann 170M5249
|
900A
|
|
|
Cầu chì Bussmann 170M5250
|
1000A
|
Bình luận
Sản phẩm cùng loại

















































